Parametri proizvoda AMP6:    
  Snaga: 0,56KW, konjska snaga: 0,75KS, okretni moment: 7,6N.m, slobodna brzina: 1200RPM, potrošnja plina: 504L/min, težina: 5,6-6,9KG (različiti načini ugradnje, različite težine), dostupna su četiri načina ugradnje: osnovna, okomito, vodoravno, prirubnica, dodatni ručni regulacijski ventil, kočnica, reduktor, regulator. 
     Standardne karakteristike:    
  Koristeći komprimirani zrak kao izvor energije za sigurnost i zaštitu od eksplozije, proizvod ima certifikat otpornosti na eksploziju i zadovoljava nacionalne sigurnosne standarde. Veliki okretni moment, niska potrošnja plina, neće izgorjeti zbog preopterećenja, podešavanje brzine bez stupnjeva, pokretanje, podešavanje, zaustavljanje prebacivanjem kontrolnog ventila, može trenutno promijeniti smjer. Motor je dizajniran da bude zatvoren kao cjelina i može se koristiti u prašnjavim, vlažnim i teškim okruženjima. Naširoko se koristi u kemijskoj industriji, poluvodičima, kristalima, petrokemiji, biokemijskoj tehnologiji, tvornicama boja, strojevima za automatizaciju i drugim industrijama. 
     Radno okruženje:    
  Tekućina: komprimirani zrak  
  Korištenje pritiska: 5Kg/cm     2    (70 psi)  
  Maksimalni radni pritisak: 6Kg/cm     2    (85 psi)  
  Temperatura okoline: -10°C~ 70°C (može se koristiti samo u stanju bez smrzavanja)  
  Ulje za podmazivanje: IS0VG32 ili slično. (Ulje je potrebno dodati uljnom maglicom, 2-3 kapi u minuti).  
  Kontinuirana uporaba: Da (ne može kontinuirano raditi bez opterećenja).  
  Preporučena brzina: (0,3~1) x maksimalna izlazna brzina. 
Detaljni parametri
| Model | Prijenosni omjer | Maksimalni učinak | Zakretni moment | Težina (KG) | |||||||||
| Vlast | Zakretni moment | Nazivna brzina | Potrošnja zraka | Osnovno | Okomito | Horizontalno | |||||||
| HP | KW | N.m | Ibf. ft | R.P. Mmin | L/min | CFM | N.m | Ibf. ft | KG | KG | KG | ||
| AMP6 | 0.75 | 0.56 | 7.6 | 5.6 | 650 | 504 | 17.8 | 11.5 | 8.5 | 5.6 | 6 | 6.9 | |
| G1/3 | 21.7 | 16 | 216 | 31.5 | 23.2 | " | 12.4 | 12.6 | |||||
| G1/5 | 35.6 | 26.3 | 180 | 49.5 | 36.5 | ||||||||
| G1/10 | 72 | 53.1 | 90 | 100.3 | 74 | ||||||||
| G1/15 | 106.2 | 78.4 | 60 | 155.1 | 114.5 | " | 15 | 15.2 | |||||
| G1/20 | 141.5 | 104.4 | 45 | 206.6 | 152.5 | ||||||||
| G1/30 | 209.5 | 154.6 | 30 | 305.7 | 225.6 | ||||||||
| G1/40 | 276.5 | 204.1 | 22.5 | 412.4 | 304.4 | ||||||||
| G1/50 | 345.3 | 254.8 | 18 | 506.6 | 373.9 | ||||||||
| G1/60 | 414.6 | 306 | 15 | 609.2 | 449.6 | ||||||||
| G1/80 | 542.5 | 400.4 | 11.2 | 805.3 | 594.3 | ||||||||
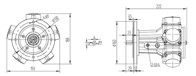
Shematski tlocrt:
           |                |    
| AMP6-T (osnovni tip) | AMP6-F (okomiti) | 
           |                |    
| AMP6-L (vodoravno) | AMP6-IEC (tip prirubnice) | 
Dijagram raščlambe proizvoda:
  
 
| NE. | Ime | Količina | NE. | Ime | Količina | NE. | Ime | Količina | 
| 1 | Kućište | 1 | 12 | brtva | 5 | 23 | O-prstenovi | 1 | 
| 2 | Distribucijski ventil | 1 | 13 | Brtva za tijelo | 2 | 24 | Poklopac motora | 1 | 
| 3 | Ležaj pogonskog kraja | 1 | 14 | O-prstenovi | 2 | 25 | Okrugla prirubnica | 1 | 
| 4 | Vreteno | 1 | 15 | Valjkasti ležaj | 1 | 26 | Odzračni vijak | 1 | 
| 5 | Pečat poluge | 1 | 16 | Vijak radilice | 1 | 27 | Četvrtasta prirubnica | 2 | 
| 6 | Hole card spring | 1 | 17 | Konstrukcija cilindra | 5 | 28 | Horizontalna ploča | 1 | 
| 7 | Ležaj pogonskog kraja | 1 | 18 | O-prstenovi | 5 | 29 | Šal | 1 | 
| 8 | osigurač | 1 | 19 | Glava cilindra | 5 | 30 | Trahealni čep | 1 | 
| 9 | Klip | 5 | 20 | O-prstenovi | 5 | 31 | Utikač | 2 | 
| 10 | Klipnjača | 5 | 21 | Opruga za pranje | 20 | |||
| 11 | Zaustavna igla | 5 | 22 | Vijak s utičnicom | 20 | 

U modernim sustavima za industrijsku proizvodnju performanse električnih jedinica izravno određuje učinkovitost i stabilnost proizvodnih procesa. Kao pogonski uređaj koji koristi komprimirani zrak ...
Pogledajte višeU modernoj industriji, izbor opreme za prijenos energije izravno utječe na učinkovitost proizvodnje i operativnu stabilnost. Kao pogonski uređaj pokrenut komprimiranim zrakom, Pozitivni pom...
Pogledajte višeU Ogromoj areni moderni industrijske Proizvodnje, Oprama Za Dizanje je Neophodan "Heroj iz scena", Tiho Podržajujući Nemetano Drjelanjanje Različitih Proizvodnih. Međa njima, pneumatske diz...
Pogledajte višeOstanite povezani