Opis proizvoda:    
  Parametri proizvoda pneumatskog motora zupčanika AMC2:  
  Snaga: 2KW, konjska snaga: 3.3HP, okretni moment: 5N.m, slobodna brzina: 6400RPM, potrošnja zraka: 2880L/min, težina: 5.5-6.8KG (različiti načini ugradnje, različite težine), dostupna su tri načina ugradnje: okomito, horizontalni, tip diska, opcijski ručni regulacijski ventil, kočnica, reduktor, regulator. 
     Standardne karakteristike:    
  Korištenje komprimiranog zraka kao izvora energije je sigurno i zaštićeno od eksplozije. Proizvod ima certifikat otpornosti na eksploziju i zadovoljava nacionalne sigurnosne standarde. Velika brzina i veliki zakretni moment neće izgorjeti zbog preopterećenja. Brzina se podešava bezstupanjsko. Upravljački ventil se koristi za prebacivanje pokretanja, podešavanja i zaustavljanja, a smjer naprijed i nazad može se odmah promijeniti. Motor je dizajniran da bude zatvoren kao cjelina i može se koristiti u prašnjavim, vlažnim i teškim okruženjima. Naširoko se koristi u kemijskoj industriji, poluvodičima, kristalima, petrokemiji, biokemijskoj tehnologiji, tvornicama boja, strojevima za automatizaciju i drugim industrijama. 
     Radno okruženje:    
  Tekućina: komprimirani zrak  
  Korištenje pritiska: 5Kg/cm     2    (70 psi)  
  Maksimalni radni pritisak: 6Kg/cm     2    (85 psi)  
  Temperatura okoline: -10°C~ 70°C (može se koristiti samo u stanju bez smrzavanja)  
  Ulje za podmazivanje: IS0VG32 ili slično. (Ulje je potrebno dodati uljnom maglicom, 2-3 kapi u minuti).  
  Kontinuirana uporaba: Da (ne može kontinuirano raditi bez opterećenja).  
  Preporučena brzina: (0,3~1) x maksimalna izlazna brzina. 
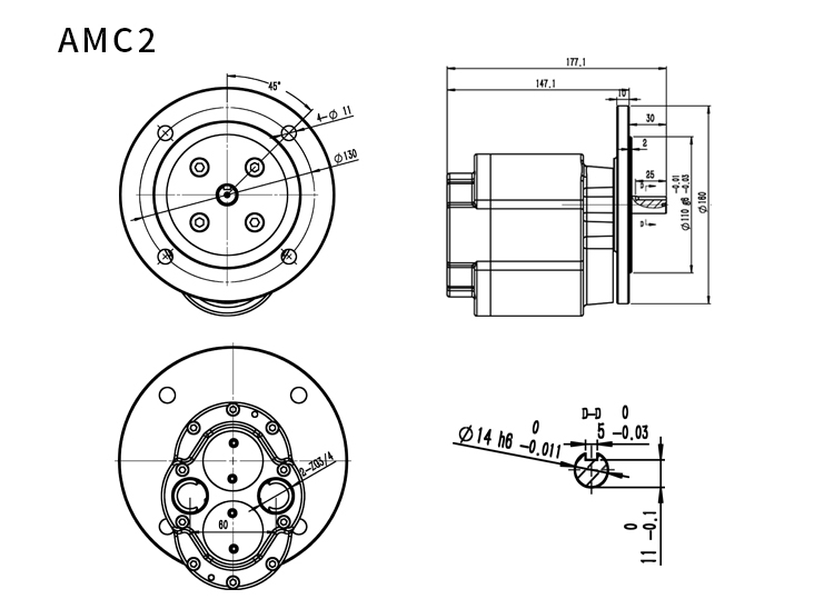
Detaljni parametri
|       Model  |     Radni tlak (Mpa) |       Vlast  |     Ubrzati | Zakretni moment |       Potrošnja zraka  |           Rotacija  |           Težina (KG)  |     Veličina ulaznog crijeva (mm). | |||||
|       Besplatna brzina  |           Kod Max. HP  |     Maks. zakretni moment | |||||||||||
| HP | KW | okretaja/min | Nm | Ibf. ft | L/MIN | CFM | Okomito | Horizontalno | |||||
| AMC2 | 0.4 | 2.3 | 1.5 | 6000 | 3700 | 3.8 | 2.8 | 2160 | 76.3 | Dvosmjerno | 5.5 | 6.8 | 16 | 
| 0.5 | 2.8 | 1.8 | 6200 | 3850 | 4.4 | 3.2 | 2400 | 84.8 | |||||
| 0.6 | 3.3 | 2 | 6400 | 3800 | 5 | 3.7 | 2880 | 101.7 | |||||
| 0.7 | 3.7 | 2.2 | 6500 | 3900 | 5.3 | 3.9 | 3240 | 114.4 | |||||
Shematski tlocrt:
     
   
Dijagram raščlambe proizvoda:
     
   
| NE. | Ime | Količina | NE. | Ime | Količina | 
| 1 | Kućište motora | 1 | 10 | 0-prstenovi | 1 | 
| 2 | Zupčanik izvan osovine motora | 1 | 11 | Vijak sa imbus glavom i šesterokutom | 10 | 
| 3 | Stražnji poklopac motora | 1 | 12 | Vijak sa imbus glavom i šesterokutom | 4 | 
| 4 | Okrugla prirubnica | 1 | 13 | Vijak s ravnim vrhom | 4 | 
| 5 | Zatvorena kapica | 3 | 14 | Vijak s ravnim vrhom | 2 | 
| 6 | Zglobni prsten | 3 | 15 | Ravna igla | 1 | 
| 7 | Pogonsko vratilo | 1 | 16 | Kuglični ležaj s dubokim utorima | 3 | 
| 8 | Brtva za podmazivanje | 1 | 17 | Kuglični ležaj s dubokim utorima | 1 | 
| 9 | Zaustavne pločice za okrugle matice | 1 | 18 | Okrugla matica | 1 | 

U modernim sustavima za industrijsku proizvodnju performanse električnih jedinica izravno određuje učinkovitost i stabilnost proizvodnih procesa. Kao pogonski uređaj koji koristi komprimirani zrak ...
Pogledajte višeU modernoj industriji, izbor opreme za prijenos energije izravno utječe na učinkovitost proizvodnje i operativnu stabilnost. Kao pogonski uređaj pokrenut komprimiranim zrakom, Pozitivni pom...
Pogledajte višeU Ogromoj areni moderni industrijske Proizvodnje, Oprama Za Dizanje je Neophodan "Heroj iz scena", Tiho Podržajujući Nemetano Drjelanjanje Različitih Proizvodnih. Međa njima, pneumatske diz...
Pogledajte višeOstanite povezani